Создать аккаунт
Главные новости » Эксклюзив » Аммиак — новое топливо для судовых двигателей. Первые шаги
Эксклюзив

Аммиак — новое топливо для судовых двигателей. Первые шаги

75
Аммиак — новое топливо для судовых двигателей. Первые шаги
Аммиак (NH3) — при нормальных условиях это бесцветный газ с резким характерным запахом. В холодильной технике носит название R717. Плотность 0,73 кг/м³, температура кипения -33,34°C, температура плавления -77,73°C, давление пара 861 262,5 Па, температура самовоспламенения 651°C. Аммиак легко переходит в бесцветную жидкость с плотностью 681,4 кг/м3. При смеси с воздухом взрывоопасен (пределы взрываемости 15 об. %), но он безопаснее водорода.

Жидкий аммиак — хороший растворитель для очень большого числа органических, а также для многих неорганических соединений и вызывает коррозию ряда металлов. Так как аммиак вызывает коррозионное растрескивание под напряжением (SCC), особенно у углеродистых сталей, то должны использоваться стали с низким пределом текучести или специальные сплавы (например, нержавеющая сталь 316L). Категорически запрещено использование меди, цинка и их сплавов (латунь, бронза), так как аммиак стремительно их разрушает. Для уплотнений требуются специальные эластомеры, устойчивые к химическому воздействию аммиака.
Аммиак относится к токсичным веществам удушающего и нейротропного действия, способных при ингаляционном поражении вызвать токсический отёк лёгких (при воздействии аммиака в течение часа с концентрацией 1,5 г/м3) и тяжёлое поражение нервной системы. Пары аммиака сильно раздражают слизистые оболочки глаз и органов дыхания, а также кожные покровы. Пары аммиака вызывают обильное слезотечение, боль в глазах, химический ожог конъюнктивы и роговицы, потерю зрения, приступы кашля, покраснение и зуд кожи. При соприкосновении сжиженного аммиака и его растворов с кожей возникает жжение, возможен химический ожог с пузырями, изъязвлениями. Кроме того, сжиженный аммиак при испарении поглощает тепло, и при соприкосновении с кожей возникает обморожение различной степени. Предельно допустимая концентрация паров аммиака — 20 мг/м³.

Автор статьи хорошо помнит случай, когда из-за утечки при погрузке аммиака на судно с аммиачной холодильной установкой в рыбпорту Клайпеды погиб член экипажа. Вот вам и пример токсичности NH3!

Аммиак относится к числу важнейших продуктов химической промышленности, ежегодное его мировое производство превышает 180 млн тонн. В 2024 году 80% ежегодно производимого аммиака использовали в химической промышленности, в основном для производства удобрений, 20% — как растворители для технических нужд, а также в холодильной технике, энергетике и медицине.

Как мы видим, в формуле аммиака отсутствует сера и углерод, благодаря чему при его сгорании отсутствуют выбросы COx и SOx. Хотя выбросы NOx поддерживаются на приемлемом уровне, может образовываться закись азота (N2O), газ в 270 раз более мощный с точки зрения парникового эффекта, чем CO2, тем не менее аммиак является разумным выбором с точки зрения защиты окружающей среды. Кроме того, он может производится с использованием возобновляемых источников энергии — гидро, солнечной, ветровой (так называемый «зелёный» аммиак, водород извлекают из воды путём электролиза 2H2O → 2H2 + O2, для которого и нужна энергия, а азот — из воздуха).
Производство «зеленого» аммиака
Однако безопасное обращение с аммиаком на судах потребует установки сложного дорогостоящего защитного оборудования (детекторы, запорные клапаны для изоляции утечек, топливные системы с двойными стенками и т. д.), специально разработанной топливной аппаратуры и т. д.

Энергетическая плотность на единицу объема аммиака (12,7 МДж/л) ниже, чем у дизтоплива (35 МДж/л). Для перевозки того же количества энергии, что и у дизтоплива, потребуется примерно в 2,8 раза больший объем, если резервуар для аммиака будет охлаждаться. В то же время для аммиачного топлива не будет существовать серьезных проблем с бункеровкой, поскольку оно производится во всем мире и транспортируется через большинство крупных портов.

На борту судна аммиак может храниться в жидком виде при давлении 8,6 бар и температуре 20 °С. Если же температура превышает эту величину, то для неохлаждаемых танков рекомендуется поддерживать давление не менее 18 бар.
Работы над созданием (или конвертирование существующих) судовых двигателей, работающих на аммиаке, ведут все крупнейшие дизелестроительные компании, такие как Everllence (ранее MAN Energy Solutions, а до этого MAN Diesel & Turbo), Wärtsilä, Japan Engine Corporation (J-ENG), WinGD (Winterthur Gas & Diesel) и т. д.

К 2025–2026 годам классификационные общества (например, DNV, ClassNK, ABS) обновили свои правила, введя специальные нотации, касающиеся использования аммиака в качестве топлива для судовых двигателей. Международная морская организация (ИМО) также работает над поправками, разрешающими использование токсичных грузов в качестве топлива, и временные руководства (IGF Code) уже учитывают этот опыт.

Для примера рассмотрим конструктивные особенности аммиачного двухтопливного двухтактного малооборотного двигателя ME-LGIA фирмы Everllence, основанную на уже проверенном в эксплуатации типе ME-LGIP. Работы над созданием двигателя начались в 2019 году, а уже в июле 2023 начались стендовые испытания его одноцилиндровой секции, затем испытания четырехцилиндровой и с февраля 2025 года — полномасштабного семицилиндрового двигателя 7S60ME-C10.5-LGIA-HPSCR (HPSCR — High Pressure Selective Catalytic Reduction — селективное каталитическое восстановление высокого давления для соответствия Tier III).




Четырехцилиндровая секция ME-LGIA фирмы Everllence на испытательном стенде

Полномасштабный семицилиндровый двигатель 7S60ME-C10.5-LGIA-HPSCR на испытательном стенде
В первом квартале 2026 года первый такой двигатель будет установлен на строящемся на японской верфи балкере дедвейтом 200 000 т. К концу 2026 года на рынке предполагается представить линейку ME-LGIA с размерами цилиндров G50, S50, S60, G60, G70 and G80.

Основным конструктивным отличием «аммиачных» двигателей от работающих на обычных видах топлива является их система топливоподготовки и топливная аппаратура. У всех упоминаемых в данной статье двигателей используется система непосредственного впрыска жидкого аммиака в камеру сгорания под высоким давлением (300–600 бар и более) в конце такта сжатия. Высокое давление впрыска (HPCR) улучшает распыление аммиака, снижает уровень несгоревшего аммиака (slip) и позволяет достичь высокой термической эффективности. При этом обычно для подачи аммиака к форсункам применяется система Common Rail.

Так как аммиак имеет высокую температуру самовоспламенения (651 °C, а дизтопливо — 225 °С), то для инициирования его сгорания впрыскивается дизельное топливо (обычно около 5%, при этом оставшиеся 95% энергии дает аммиак). Форсунки запального топлива (pilot fuel valves) могут быть как отдельными, так и двухтопливными (dual-fuel injectors), где дизель и аммиак впрыскиваются одновременно или последовательно.


Рабочий цикл двухтактного аммиачного двигателя

Система впрыска запального топлива и аммиака (dual-fuel injectors) двигателей типа ME-LGIA фирмы Everllence

Система впрыска аммиака двигателей типа X-DF-A-1.0 фирмы WinGD
К топливным насосам высокого давления (ТНВД) аммиак подается из расходной цистерны топливоподкачивающим насосом через фильтры и подогреватель при давлении около 80 бар во избежание вскипания. Принимая во внимание низкую смазывающую способность аммиака, плунжерные пары ТНВД должны выполняться из специальных материалов или использоваться системы принудительной смазки.

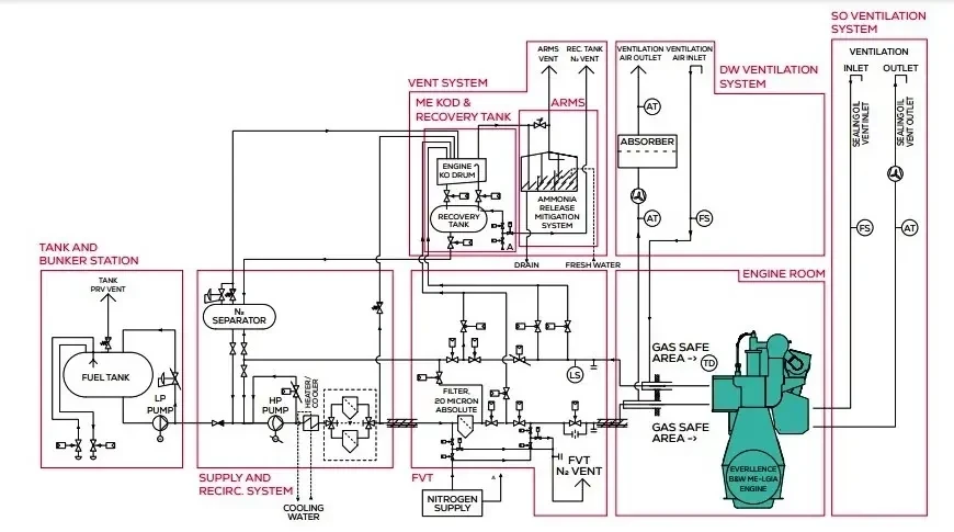
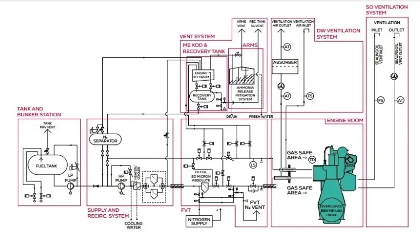
Так как аммиак обладает высокой токсичностью, то все трубопроводы выполнены двухстенными, а межтрубное пространство постоянно продувается осушенным воздухом. Перед проведением работ по техобслуживанию для удаления остатков аммиака система продувается азотом. Аммиачные цистерны также выполнены двухстенными или снабжены защитными кожухами.


Аммиачная топливная система двигателя
Для соответствия Tier III по содержанию NOx используется технология SCR. Технология SCR представляет собой процесс доочистки выхлопных газов, при котором оксиды азота (NOx), образующиеся в процессе сгорания, удаляются из отработавших газов путем каталитического восстановления. Обычно в качестве каталитического агента можно использовать аммиак (восстановитель), который впрыскивается в отработавшие газы. Потребление аммиака в системе SCR будет очень малым по сравнению с потреблением аммиачного топлива. В ходе каталитической реакции NH3 and NOX превращаются в азот (N2) и воду (H2O): 4NO + 4NH3 + O2 → 4N2 + 6H2O; 6NO2 + 8NH3 → 7N2 + 12H2O.


Принцип работы SCR
Для обеспечения безопасности экипажа при использовании аммиака требуется, в частности:

• Усиленная вытяжная вентиляция (до 30 воздухообменов в час) в помещениях с аммиачным оборудованием. Выброс воздуха должен происходить в безопасных зонах, вдали от мест забора воздуха в жилые помещения.

• В случае сброса аммиака (через предохранительные клапаны, при ремонтных работах) газ не должен выбрасываться в атмосферу напрямую — его необходимо пропускать через водяные ловушки или скрубберы для абсорбции.

• Многоуровневая система датчиков-детекторов аммиака, способная обнаружить его концентрации значительно ниже нижнего предела взрываемости (LEL) и порога токсичности.

• Обязательная установка систем водяного орошения для «осаждения» облака аммиака в случае протечки.

• Экипаж должен быть обеспечен химическими костюмами и изолирующими дыхательными аппаратами.

• Классификационные общества требуют специальной подготовки экипажей (Ammonia Handling Training), которая включает отработку сценариев ликвидации разливов аммиака и навыки оказания первой помощи при химических ожогах и отравлениях.

В сентябре 2025 года японская фирма J-ENG представила двухтопливный двухтактный двигатель 7UEC50LSJA-HPSCR. До этого его одноцилиндровая секция и полномасштабный двигатель успешно отработали на стенде более 1700 часов как на аммиаке, так и на мазуте (HFO). Судно с этим двигателем планируется к коммерческой эксплуатации в 2026 году.


7UEC50LSJA-HPSCR
Фирма WinGD с 2024 года предлагает линейку 5-9-цилиндровых двухтактных двухтопливных дизелей X-DF-A-1.0, предназначенных на работу на аммиаке, при этом остается возможность работы на HFO, MDO и MGO. При диаметре цилиндров 520-820 мм, частоте вращения 79-105 об/мин и среднем эффективном давлении 21-22 бар они развивают мощность от 5100 до 49500 кВт.

В январе 2026 года на заводе Hyundai Heavy Industries в Южной Корее были завершены заводские приемочные испытания двигателя X52DF-A-1.0 компании WinGD. Этот двигатель будет установлен на борту газовоза для перевозки LPG/аммиака вместимостью 46,000m³.


X52DF-A-1.0 компании WinGD на испытательном стенд

Линейка двигателей типа X-DF-A-1.0
Осенью 2024 года южнокорейская компания Hyundai Heavy Industries закончила стендовые испытания двухтопливного среднеоборотного четырехтактного дизеля H22CDF-LA, предназначенного для работы на аммиаке. Такие 6-9-цилиндровые двигатели могут развивать мощность от 1440 до 2160 кВт при 900-1000 об/мин, разрабатываются машины мощностью до 5,4 МВт. Для снижения выбросов NOx и несгоревшего аммиака служит система SCR.


Двигатель типа H22CDF-LA
В 2024 году фирма Wärtsilä представила на рынке четырехтактный двухтопливный дизель, способный работать на аммиаке, Wärtsilä 25, который может использоваться в качестве главного на небольших судах или для привода электрогенераторов. Этот среднеоборотный рядный двигатель может иметь от 6 до 9 цилиндров и мощность от 1,7 до 3,4 МВт. Двигатель поставляется вместе с системой снижения выбросов окислов азота Wärtsilä NOx Reducer system (NOR) для соответствия требованиям IMO Tier II и III.


Двигатель типа Wärtsilä 25
Первым судном с таким двигателем станет судно снабжения морских платформ (PSV — Platform Supply Vessel) «Viking Energy» норвежской фирмы Eidesvik Offshore. Работы по переоборудованию этого построенного в 2003 году 95-метрового PSV планируется начать весной и завершить осенью 2026 года.

Проектная документация уже получила предварительное одобрение Норвежского морского управления. Кроме того, классификационное общество DNV выдало принципиальное одобрение конструкции судна, работающего на аммиаке.
  • Александр Митрофанов
  • Аммиак – новое топливо для судовых двигателей
    Аммиак — новое топливо для судовых двигателей. Первые шаги
0 комментариев
Обсудим?
Смотрите также:
Продолжая просматривать сайт neelov.ru вы принимаете политику конфидициальности.
ОК